CNC machine steel telescopic covers
Steel accordion cover
Machine bellow cover
CNC machine steel guards
Accordion protective flexible dust cover
Telescopic steel guard is made from steel plate and stainless steel copper plate, featuring high quality and long service life. It can prevent coolant, emulsion, iron filings, and tool accidents.
Heavy layer of telescopic cover is very close with quick speed, it has strong protection for chips, dusty, coolant etc. with higher quality and longer using life, the appearance is very elegant and not easy to deformation.
Feature
The bellow is made up of steel and stainless steel, itcan prevent. Coolant and fluid, iron chips and accident from guide rails with longer Using life.
Each section of the telescopic steel cover is bonded with each other closely with influencing the running speed. The cover can effectively prevent dust, iron filings, coolant and other materials. It shows no deformation when trampled.
Normally the speed is 12m/min, and we can catch 80m/min with Special design. Normally, the links of guard should be less to reduce the weight itself, quotation and of course, it can promote the speed etc.
Structure
It is made up of steel body, steel supporter, pulley, hinges, glue strip, rubber pad and connection flanges etc. The proportion between stretched out length and compressed length is 3:1 ?5:1. We use the high class material, i.e.sus304} 1Cr13,cold rolling etc., all of them was processed by high precision laser cutting machine and amada bending machine
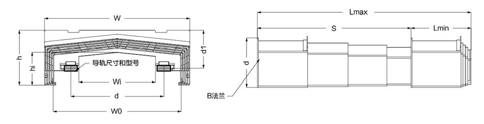
Pls kindly note it's better if customer can supply us the guide section drawings with IGS or STP format. Then our professional engineer can design the bellow to customer, if not, pls let me know Machine cover figure. It is better to offer the drawings(or mark above figure) then Krius design exactly
Pls remark if you have special demand, or we will follow Krius regulation

| Code | Des | Figure | Test result by Kruis | Remark |
| Lmax | Stretched out length | Machine travel range (Not full) | ||
| Lmin | Compressed length | |||
| S | Travel distance | Machine max distance (Optional) | ||
| W | Outer width | Optional | ||
| Wi | Inner width | Optional | ||
| W0 | Min width | Optional | ||
| h | Outer height | Not full | ||
| hi | Inner height | Not full | ||
| d | Guide rail center distance | Not full | ||
| d1 | The distance from flange to guide rail | Not full | ||
| Accessories need | Optional | |||
| Material of cover | Material and surface treatment(Optional) | |||
| Guide rail item N0. | (Not null/attched) | |||
| Running speed | Not null | |||
| Assemble way | Vertical/horizontal/others(Optional) | |||
| Equipment item No. | Optional | |||
| Enviroment | Scrap or not(Optional) |